Золоуловитель ЗУ-0.6
Золоуловитель ЗУ 0,6 — горизонтальный циклон для сухой очистки дымовых газов от летучей золы и твердых частиц размером более 50 мкм. Применяется на котлах и котельных установках, может устанавливаться за одним котлом или на группу котлов. Производительность от 2720 до 3700 м³/ч, КПД очистки до 80%. Оснащен бункером-накопителем с выгрузкой золы через шибер.
44 000 ₽
- Стоимость меняется. Актуальную цену уточняйте.
Характеристики
Overview
| Вес | 147 кг |
|---|---|
| Габариты | 660 × 726 × 1270 см |
Описание
Золоуловитель ЗУ 0,6 предназначен для очистки дымовых газов от золы и твердых включений в системах котельных. Конструкция относится к типу горизонтальных циклонов, где поток газа проходит внутри корпуса по заданной траектории. Под действием инерции и гравитации частицы отделяются от газового потока, оседают в накопительном бункере и удаляются через шибер. Очищенный газ отводится через выходной патрубок.
Оборудование применяется на твердотопливных и других котлах, где требуется снизить выброс золы и уменьшить нагрузку на последующие элементы газоочистки. Возможен монтаж непосредственно за котлом либо на общем газоходе, обслуживающем несколько котлов.
Золоуловитель поставляется в комплекте с корпусом и бункером-накопителем. Соединение с газоходом выполняется через входной фланец прямоугольного сечения. Отвод очищенного газа осуществляется через круглое выходное отверстие. При монтаже необходимо обеспечить газоплотность стыков с применением термостойкого уплотнения.
Корпус рассчитан на эксплуатацию в помещениях и под навесом. Допустимая температура окружающего воздуха от -60 до +40 °С. Максимальная температура газа на входе по характеристикам — до 400 °С.
ЗУ 0,6 подходит для объектов, где важны компактные размеры, простая схема работы и обслуживание без сложных расходных материалов. Для подбора учитывают расход дымовых газов, температуру, состав топлива, схему газоходов и параметры котельной.
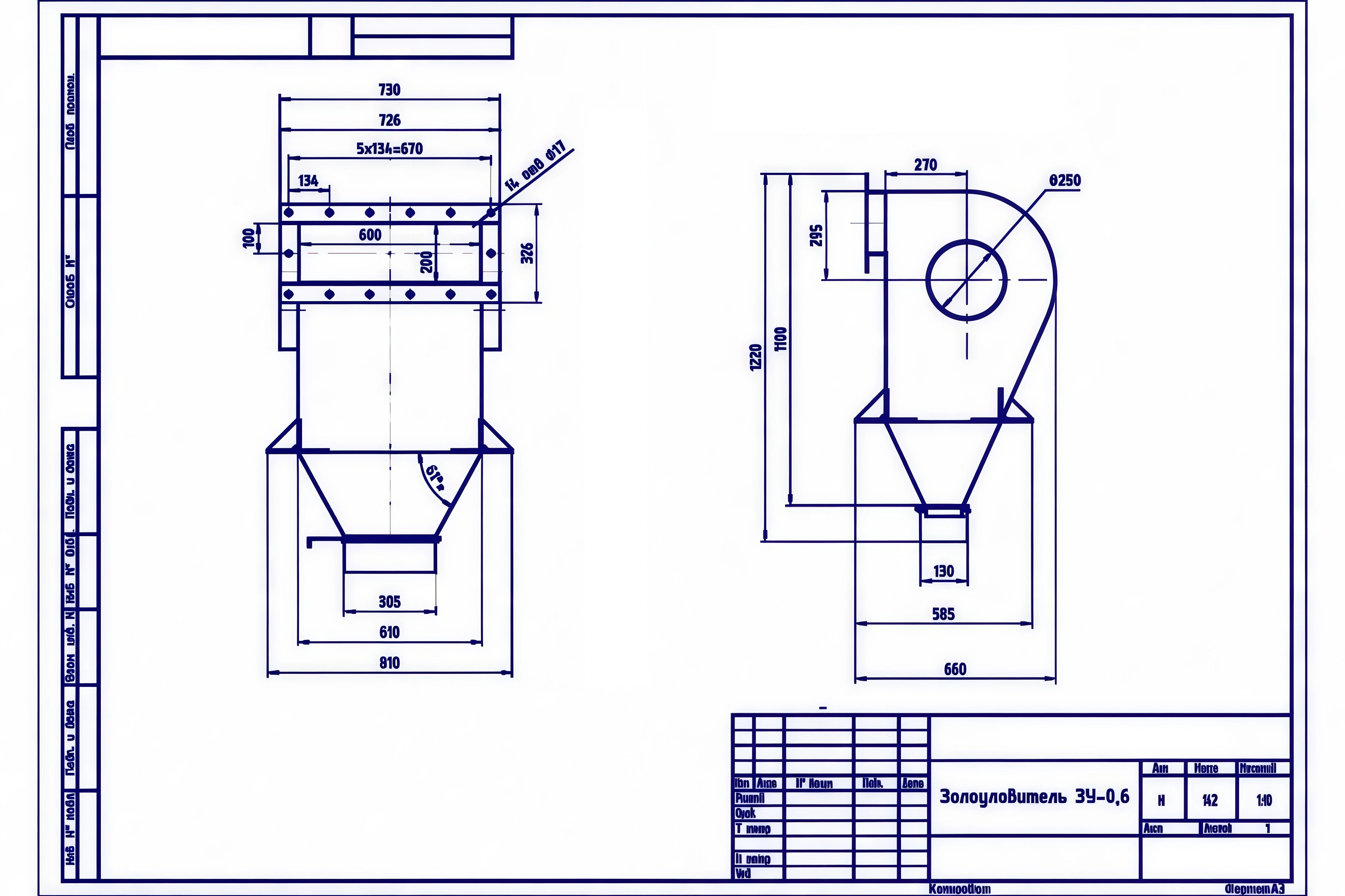
Технические характеристики
- Марка: ЗУ 0,6
- Тип: золоуловитель горизонтальный циклонный
- Производительность: 2720–3700 м³/ч
- Максимальный расход газа: 0,83 м³/с
- КПД очистки: 80%
- Аэродинамическое сопротивление: 800 Па
- Температура газа на входе: до 400 °С
- Сечение входного отверстия: 200×600 мм
- Диаметр выходного отверстия: 250 мм
- Объем бункера: 0,05 м³
- Габариты: 625×726×1100 мм
- Масса: 147 кг
Что важно уточнить перед заказом
- тип и мощность котла
- расход дымовых газов
- температуру на входе
- вид топлива
- место установки: внутри помещения или снаружи
- необходимость поставки шибера, опор, ответных фланцев

Золоуловитель Чертеж-ЗУ-0,6


Похожие товары в категории промышленных устройств:
Полезные статьи на тему промышленного оборудования:
Отзывы
Для отправки отзыва вам необходимо авторизоваться.

Отзывы
Отзывов пока нет.